
Specification
Specification
- brand Mitutoyo
- type Interchangeable Jaw
description
description
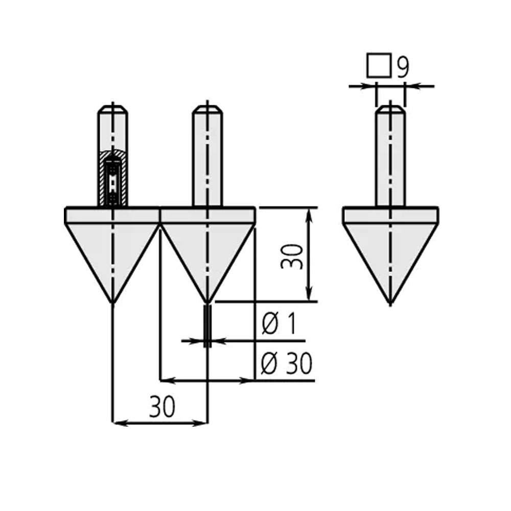
Inserts for bore measuring (pair)
technical drawings
PDF downloads
accessories