
- brand Mitutoyo
- type Objective Lens
- mass 255g
- magnification 10x
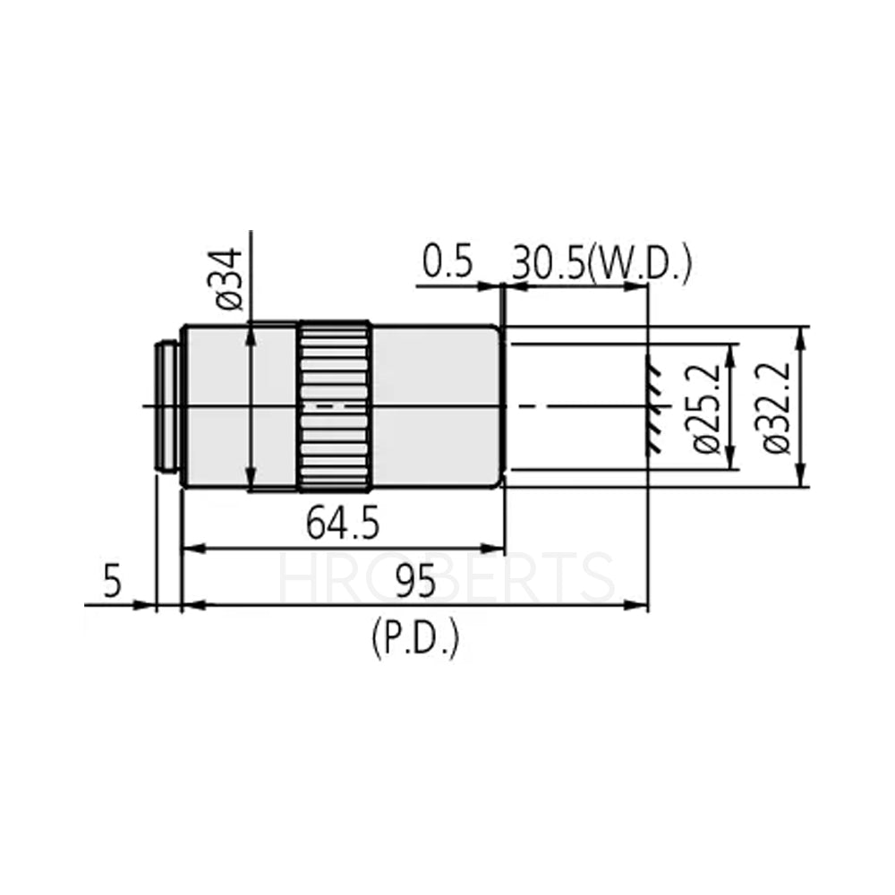
- working distance 30.5mm
- numerical aperture 0.28
- working distance 30.5mm
- focal length 20mm
- resolving power (Microns) 1
- focal depth (Microns) 3.5
- view field 1 2.4mm Dia
- view field 2 0.48x0.64mm
The M Plan Apo NUV 10X is a precision plan apochromat objective designed for bright field inspection and laser applications requiring performance in the near-ultraviolet range. With wavelength correction from the visible spectrum down to 355 nm (Near-UV), this objective is well suited for advanced inspection, analytical imaging, and laser process monitoring applications.
Featuring an extended 30.5 mm working distance, the lens provides excellent clearance for larger or uneven samples while maintaining strong optical performance. Its high-quality plan apochromat design ensures flat-field imaging and superior chromatic correction across the extended wavelength range.
The infinity-corrected optical system allows seamless integration with compatible microscope platforms, including VMU and FS-70 systems. A High Resolution (HR) version is available within the NUV range for applications requiring enhanced resolving performance.
Key Features
Suitable for bright field inspection and laser applications
Wavelength correction from 355–620 nm (Visible to Near-UV)
High-quality Plan Apochromat optical design
Extra-long working distance design
Infinity corrected
HR (High Power) version available
Specifications
Model: M Plan Apo NUV 10X
Magnification: 10x
Working distance (in air): 30.5 mm
Numerical Aperture (N.A.): 0.28
Corrected wavelength range: 355–620 nm
Resolving power: 1 µm
Depth of focus: 3.5 µm
Field of view (ø24 mm eyepiece): ø2.4 mm
Field of view (1/2” camera chip): 0.48 × 0.64 mm
Parfocal distance (P.D.): 95 mm
Spectral range: Near-UV (NUV)
Observation mode: Brightfield
Glass compensation: No
High Resolution: No (HR version available)
Laser applications: Yes
Mass: 255 g