
- brand Mitutoyo
- type Objective Lens
- mass 450g
- magnification 50x
- working distance 9.6mm
- numerical aperture 0.65
- working distance 9.6mm
- focal length 4mm
- resolving power (Microns) 0.4
- focal depth (Microns) 0.7
- view field 1 0.48mm Dia
- view field 2 0.10x0.13mm
The LCD Plan Apo NIR HR 50X (t0.7) is a premium plan apochromat objective designed for bright field inspection and laser-based repair applications through 0.7 mm or 1.1 mm LCD cover glass (BK-7). Engineered for advanced imaging environments, it provides wavelength correction from the visible spectrum up to near-infrared (480–1800 nm), making it ideal for NIR inspection and laser processing applications.
As a High Resolution (HR) model, this objective delivers exceptional image clarity with a high numerical aperture of 0.65 and a resolving power of 0.4 µm. Its dedicated LCD glass thickness compensation ensures optimal performance when observing through specified substrate materials.
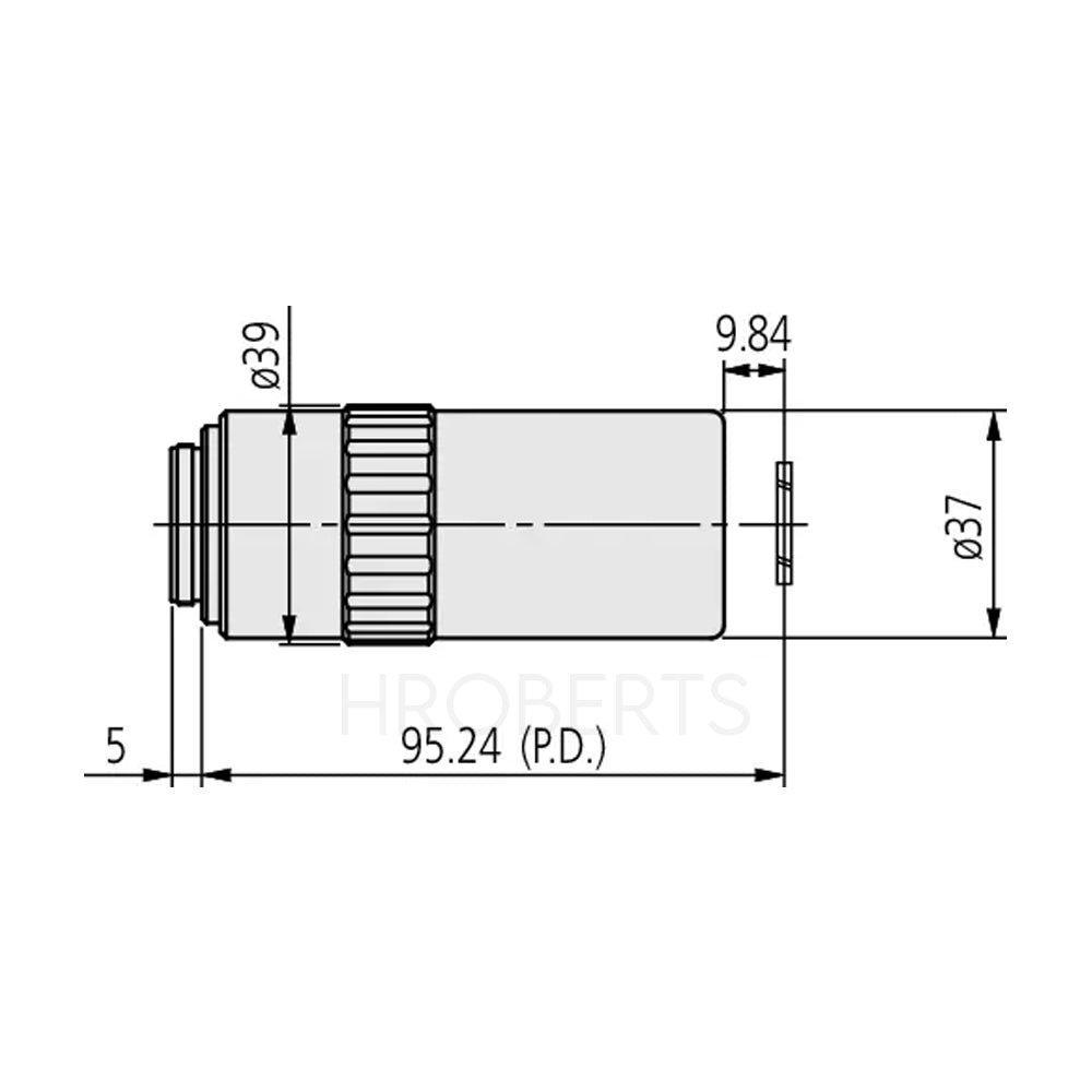
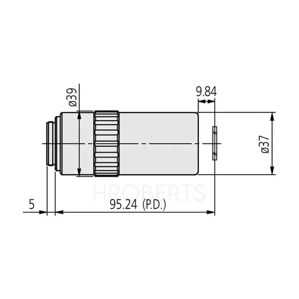
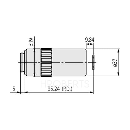
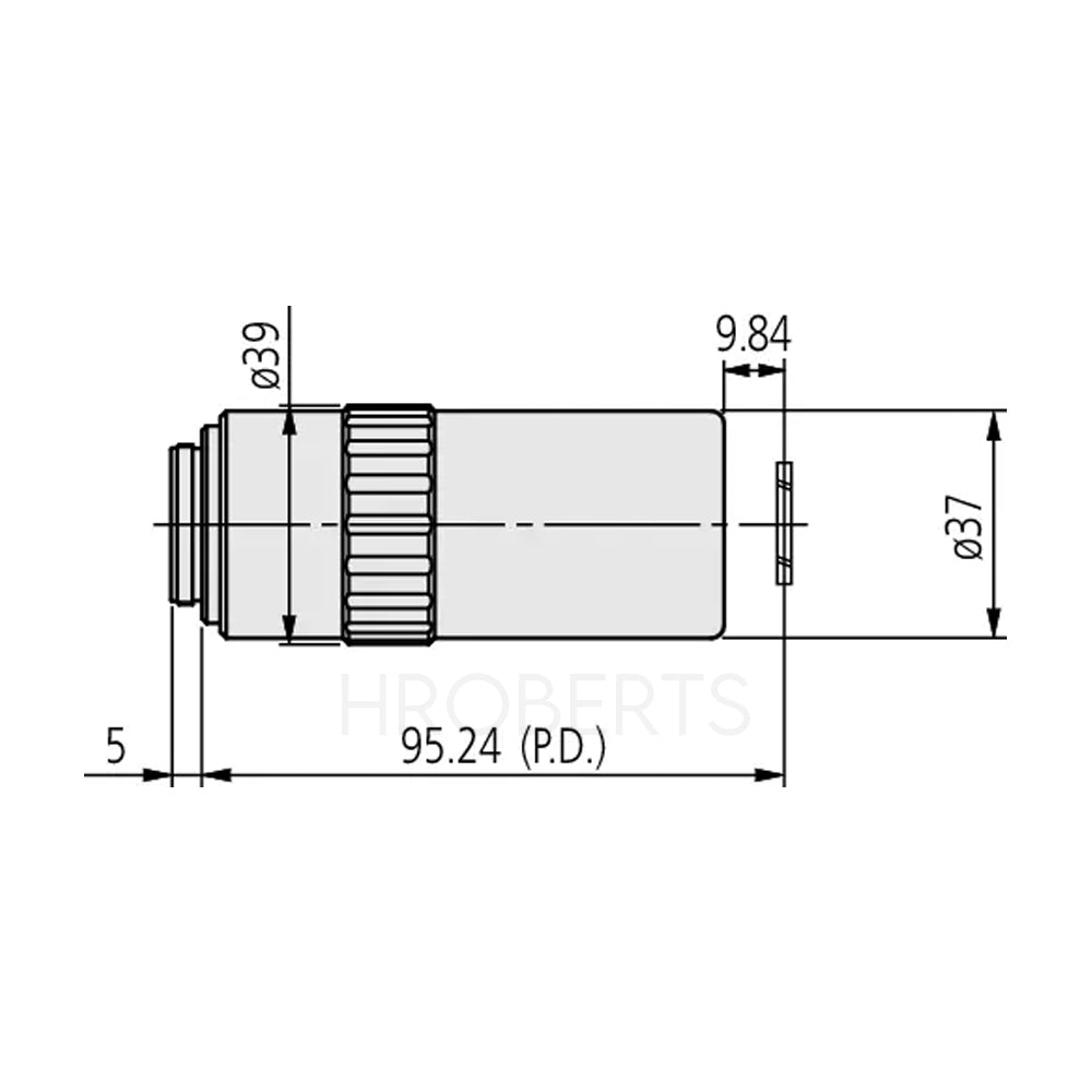
With a working distance of 9.84 mm through 0.7 mm glass, the lens maintains practical clearance while delivering sharp, high-contrast imaging. The infinity-corrected plan apochromat design ensures flat-field performance and excellent chromatic correction across the extended visible-to-NIR wavelength range.
Key Features
Suitable for bright field inspection and laser-based repair applications
Designed for use through 0.7 mm or 1.1 mm LCD cover glass (BK-7)
High-quality Plan Apochromat optical design
Wavelength correction from 480–1800 nm (Visible to Near-Infrared)
High transmission in the NIR range
High Resolution (HR) type
Glass thickness compensated
Infinity corrected
Specifications
Model: LCD Plan Apo NIR HR 50X (t0.7)
Magnification: 50x
Glass thickness correction: t0.7 mm BK-7
Working distance (through glass): 9.84 mm
Working distance (in air): 9.6 mm
Numerical Aperture (N.A.): 0.65
Corrected wavelength range: 480–1800 nm
Resolving power: 0.4 µm
Depth of focus: 0.7 µm
Field of view (ø24 mm eyepiece): ø0.48 mm
Field of view (1/2” camera chip): 0.1 × 0.13 mm
Spectral range: Near-Infrared (NIR)
Observation mode: Brightfield
Glass compensation: Yes
High Resolution: Yes
Laser applications: Yes
Mass: 450 g