
- brand Mitutoyo
- type Objective Lens
- mass 500g
- magnification 50x
- working distance 9.76mm
- numerical aperture 0.65
- working distance 9.76mm
- focal length 4mm
- resolving power (Microns) 0.4
- focal depth (Microns) 0.7
- view field 1 0.48mm Dia
- view field 2 0.10x0.13mm
The LCD Plan Apo NUV HR 50X (t0.7) is a premium plan apochromat objective designed for bright field inspection and laser applications through 0.7 mm LCD cover glass (BK-7). Engineered for high-precision imaging, it offers wavelength correction from the visible spectrum down to near-ultraviolet (355 nm), making it ideal for advanced inspection and near-UV laser applications.
As a High Resolution (HR) model, this objective delivers enhanced resolving performance with a resolving power of 0.4 µm, supported by a high numerical aperture of 0.65. Its dedicated LCD glass thickness correction ensures optimal image quality when observing through specified substrate materials.
With a working distance of 10 mm through 0.7 mm glass, the lens provides practical clearance while maintaining exceptional optical clarity. The infinity-corrected plan apochromat design ensures flat-field imaging and excellent chromatic correction across the extended wavelength range.
Compatible with VMU and FS-70 microscope systems, the LCD Plan Apo NUV HR 50X is ideally suited for precision inspection, laser processing observation, and demanding near-UV applications.
Key Features
Suitable for bright field inspection and laser applications
Designed for use through 0.7 mm or 1.1 mm LCD cover glass
High-quality Plan Apochromat optical design
Wavelength correction from 355–620 nm (Visible to Near-UV)
High Resolution (HR) type
Glass thickness compensated
Infinity corrected
Specifications
Model: LCD Plan Apo NUV HR 50X (t0.7)
Magnification: 50x
Glass thickness correction: t0.7 mm BK-7
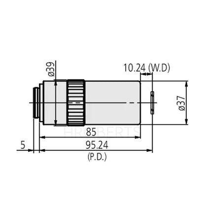
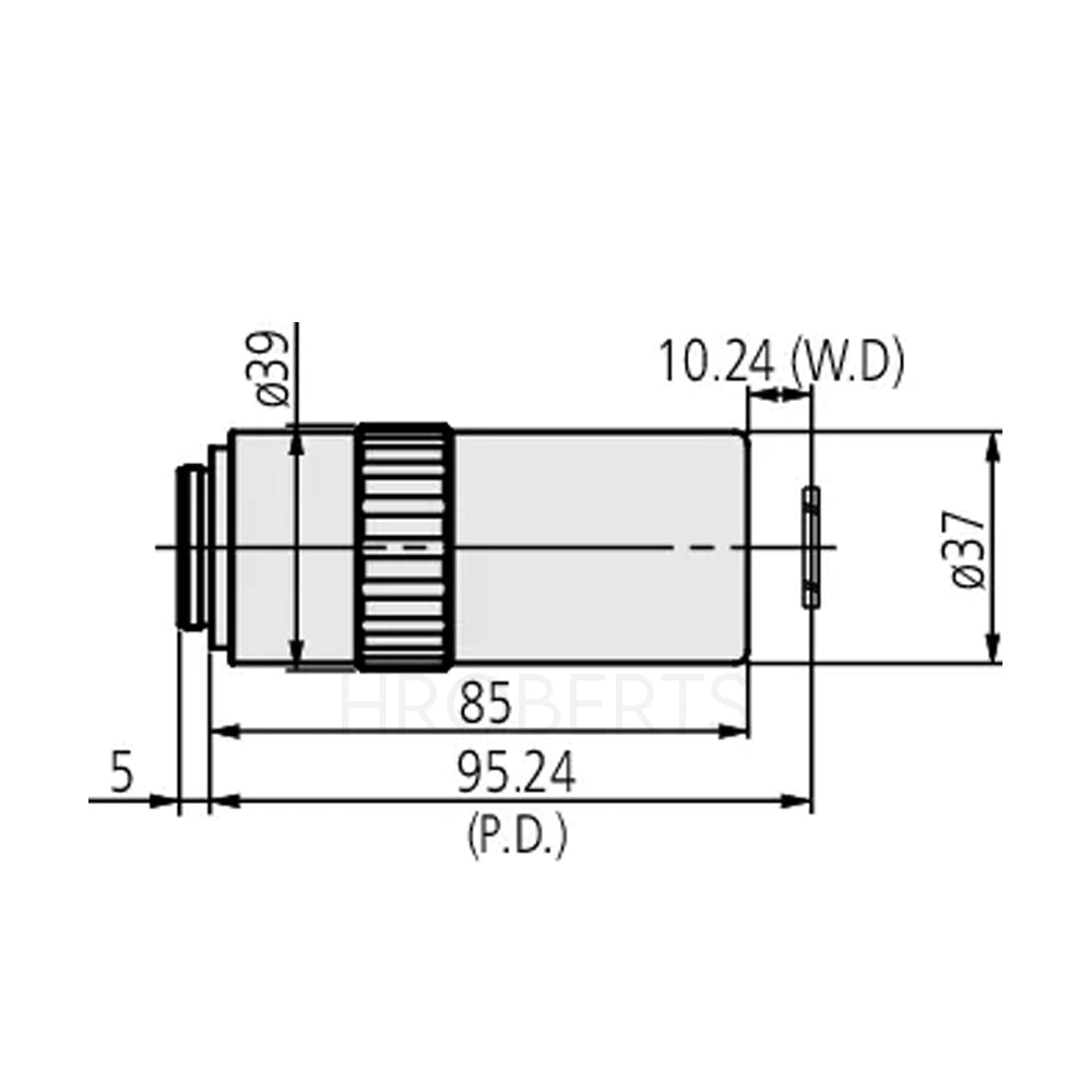
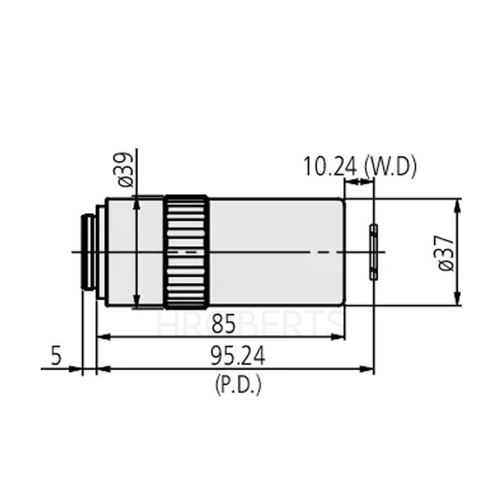
Working distance (through glass): 10 mm
Working distance (in air): 9.76 mm
Numerical Aperture (N.A.): 0.65
Corrected wavelength range: 355–620 nm
Resolving power: 0.4 µm
Depth of focus: 0.7 µm
Field of view (ø24 mm eyepiece): ø0.48 mm
Field of view (1/2” camera chip): 0.1 × 0.13 mm
Parfocal distance (P.D.): 95 mm
Spectral range: Near-UV (NUV)
Observation mode: Brightfield
Glass compensation: Yes
High Resolution: Yes
Laser applications: Yes
Mass: 500 g